HAAKJE Lancia Delta Integrale ZOEKOPDRACHT

HAAKJE Lancia Delta Integrale ZOEKOPDRACHT

Zoekopdracht naar OEM nummer 7780812? HAAKJE Lancia Delta Integrale ZOEKOPDRACHTDit product is niet voorradig. U betaald via dit product om ons opdracht te geven het artikel voor u te zoeken en voor vrijblijvende aanschaf beschikbaar te maken.

 6,05 incl. BTW

Beschrijving

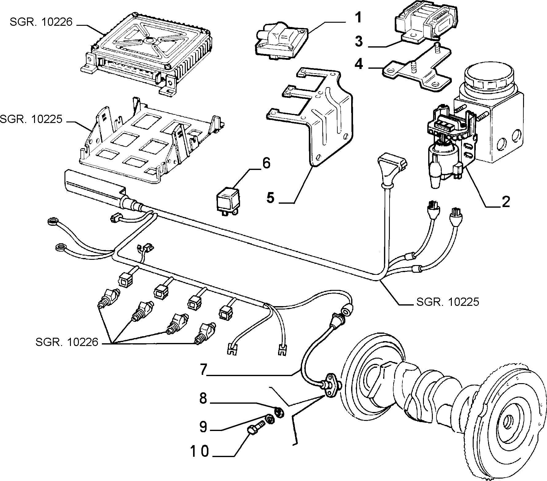
Onderdeelnummer 4 op de technische tekening uit EPER tekening nummer C6A052849E4A8DC608342FE033FE6104 mbt de toepassing op de Lancia Delta Integrale. Per auto is van dit artikel 1 exemplaar benodigd. Dit product betreft een VOORBEELD bedoeld om ons een ZOEKOPDRACHT te geven. Als u dit product besteld koopt u een ZOEKOPDRACHT naar dit product. De zoekopdracht houdt in dat wij voor u op zoek gaan naar dit specifieke product. Indien we het product voor u beschikbaar kunnen maken krijgt u een prijsopgave in uw email. Waar mogelijk bieden we zowel gebruikt als nieuw origineel en nieuw imitatie aan. De kosten van de zoekopdracht bent u altijd kwijt, ook in geval wij geen passend aanbod kunnen doen. Helaas worden we overspoeld met aanvragen naar onderdelen die vervolgens niet worden afgenomen. Doorgaans horen we niets terug van de aanvrager. Om dit te voorkomen werpen we dit kleine drempeltje op. Iedere liefhebber zal begrijpen dat het vinden van specifieke onderdelen veel tijd kost. Iedere zoekopdracht kost ?5 per gevraagd onderdeel.

Extra informatie

SKU:
SEARCH12073
Toepasbaar op
OEM nummer
7780812
Producent
Lancia
Voorraadlocatie
TO BE FOUND
Staat
Nieuw
Originaliteit
Origineel
Soort onderdeel
Elektronica en kabels

Let op, wij zijn afwezig!

Wegens afwezigheid worden alle bestellingen op vrijdag 5 juni 2026 verpakt en verzonden.

Heb je haast met je bestelling?
probeer je onderdelen dan elders te bestellen!